| 無接点式チャックマスター®[EH-V] |
| ワイド電源に対応したチャックマスター®登場! | |||
![]() EH-V305B EH-VE305B![]() EH-V210E ![]() EH-VE210E |
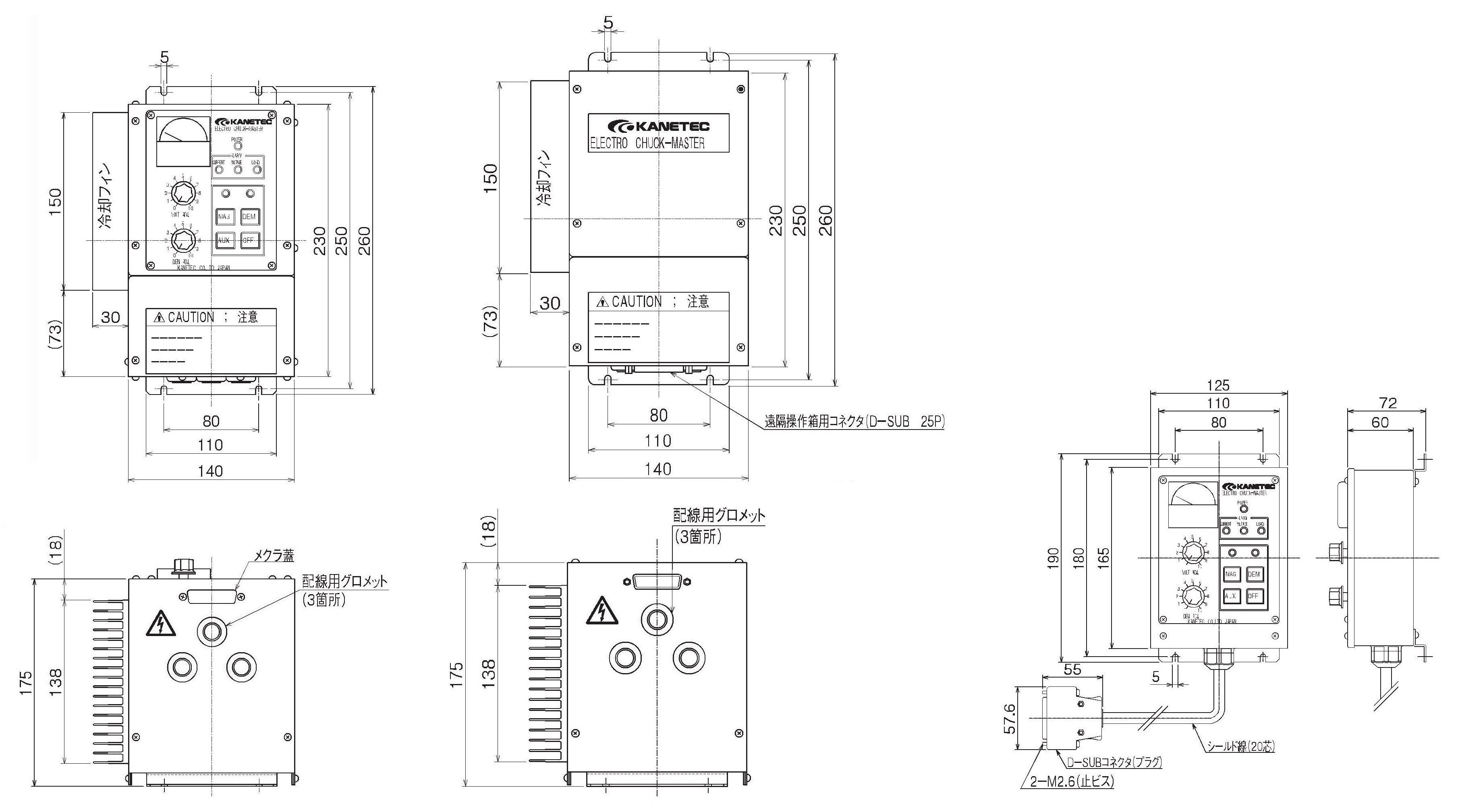
【用途】 交流電源からの入力を直流に整流し、電磁チャックに出力します。 【特長】 入力電源※間での電圧にワイドに対応しているため、電源環境の変更にも柔軟に対応可能です。 地絡保護強化用回路を追加しました。 各種保護機能が充実し、各アラームに個別表示灯があるため、アラームの識別が容易です。
EH-VE形はEH-V形に対し遠隔操作仕様とし、遠隔操作箱を付属したものです。 EH-V(E)210E 配線用の端子台をチャックマスターR正面から作業できる位置にすることで、設置した状態でも 信号用端子台をピン単子用台にすることで小型化し、端子台の極数も増やしました。 10A対応時にご選定ください。
|
||
|
|
|||
CONTACT
カネテックの事業、製品に関するご相談や
お問い合わせはこちらからお願いいたします。

EH-VE305B


